Stainless Steel 37 Degree Flare Bulkhead Elbows
Product Name:-
Stainless Steel 37 Degree Flare Tube Fittings
Make an Inquiry
Stainless Steel 37 Degree Flare Bulkhead Elbows
Product Category:-Stainless Steel 37 Degree Flare Tube Fittings
Make an Inquiry
Stainless Steel 37 Degree Flare Bulkhead Elbows

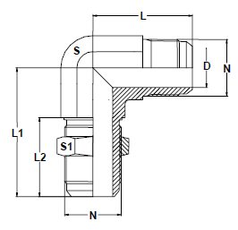
| TUBE OD | UN / UNF | S | S1 | L | L1 | L2 | D | PART NO. | |
| MM | INCH | N | MM | MM | MM | MM | MM | MM | |
| 6 | 1/4 | 7/16 -20 | 11 | 17 | 24.6 | 40.4 | 28.3 | 4.4 | 4F-EB |
| 8 | 5/16 | 1/2 -20 | 13 | 19 | 26.2 | 41.1 | 28.3 | 6 | 5F-EB |
| 10 | 3/8 | 9/16 -18 | 14 | 22 | 27.7 | 46 | 30.1 | 7.5 | 6F-EB |
| 12 | 1/2 | 3/4 -16 | 19 | 24 | 34.5 | 53.6 | 35 | 9.9 | 8F-EB |
| 14/15/16 | 5/8 | 7/8 -14 | 22 | 30 | 39.6 | 60.7 | 38.5 | 12.3 | 10F-EB |
| 18/20 | 3/4 | 1 1/16 -12 | 27 | 36 | 45.2 | 67.8 | 42.8 | 15.5 | 12F-EB |
| 25 | 1 | 1 5/16 -12 | 33 | 41 | 49 | 71 | 42.8 | 21.5 | 16F-EB |
| 28/30/32 | 1 1/4 | 1 5/8 -12 | 41 | 50 | 55 | 76 | 44.1 | 27.5 | 20F-EB |

